• 1. APRUS
    • 1.1. APRUS及其产生背景
    • 1.2. APRUS的特点
    • 1.3. APRUS的适用范围
    • 1.4. APRUS的接口设置与主要功能
    • 1.5. APRUS供电
    • 1.6. APRUS扩展外设

    1. APRUS

    1.1. APRUS及其产生背景

      Aprus(Advanced Programmable Remote Utility Server)是智物联公司的工业高级可编程适配器,是适配型可编程工业数据采集终端,它可以快速提供工业设备和复杂工业装置的物联网数据采集解决方案。

    APRUS在智物联工业物联网解决方案中的位置 Image - APRUS在智物联工业物联网解决方案中的位置

      工业物联网,简单地说,就是要把工业设备(多个工业设备构成的工业装置)联网。联网的目的,是要把设备(装置)的各种运行状态和数据发送到云平台,平台负责接收数据、保存数据、处理数据,并对数据进行统计和分析。今天随着微处理技术的不断发展,工业自动化的成熟,绝大多数工业设备都带有自控和伺服功能,并通过本端控制器方式来实现,但是,这些设备(装置)的设计本身还是传统的模式,并没有考虑到联网的需求。

      工业设备的设计,通常需要一个相当长的时间去进行验证,以确认这个设计的可靠性。因此,要想这些设备具备联网功能、数据传输功能,并不是一件非常容易的事情,也不可能在非常短的时间里面完成。

      但是,工业设备的联网和上云是个势不可挡的大趋势。如何不对现有的设备做任何改变,保证其正常运行的前提下,又能顺利实现联网,成为了需要重点研究的问题。适配器就是为了解决传统设备的物联网需要,应用而生的一个中间适配设备。所谓适配,就是说在维持原有设备不做任何改动的前提条件下,用适配的方式去与设备(装置)对话,并把设备的运行状态和数据发送到物联网平台。智物联自主研发的APRUS就是众多适配器中的一种。

    1.2. APRUS的特点

    APRUS Image - APRUS

    • 工业级标准:外壳材质耐高温、阻燃、耐磨耐摔、电绝缘性优异,有效保护内部电路。
    • 断电续传:自带断电续传功能,在电源断开后依然能够发回断电信息及保存当前数据。
    • 用户可编程:允许客户通过LUA脚本重新定义Aprus的数据采集逻辑及数据采集协议。
    • 远程升级和重定义:可实现网页简易配置LUA并下载升级,远程升级和重新定义。
    • 丰富的数据采集接口: 支持RS-485,RS-232和CAN等接口;支持西门子、三菱等控制器;支持IIC接口,可外接传感器。
    • 对接简单、便捷:Aprus的使用非常简单,与设备对接也十分容易。唯一需要做的,就是按* 照智物联提供的方法,对所需设计的数据进行梳理,分类,并把数据表进行完善。

      上述特点中,需要重点说明一下用户可编程特性,这是APRUS所独有的。

      工业设备的差别是巨大的,即便是同一个设备制造商,自己生产的设备也是差别很大的,不同的设备类型、不同的配置、不同的型号都是有区别的,甚至一些相同型号不同批次的设备都各不相同,这就要求数据采集终端有广泛的适用性。为解决这个问题,一般市场上的同类适配器产品,能够实现用户的“可配置”,即在通信交互、业务逻辑等明确的前提下,用户可以对有限的参数进行自定义。举个例子,某设备厂生产了一种设备,这种设备参与到物联网,通过确定的数据交互协议MODBUS,那么就可以通过配置,设置要获取的参数的地址、参数上报更新的频率、参数的数据偏移等等。而在“可配置”的基础上,APRUS进一步实现了“可编程”,即可以根据需要,完全由用户自己实现数据交互,由用户决定业务逻辑。举个例子,某设备厂家同时生产多重完全不同的设备,这些设备参与到物联网,用到哪些数据、通过什么方式获取这些数据、这些数据分别是什么类型、数据之间是什么关系、这些数据要如何传递出发等等,都可以使用Aprus去完成。简单的说,用户可配置,是用户可以决定“西瓜的大小”,用户可编程,是用户可以决定“是西瓜还是冬瓜,它有多大”。

      因此,对于APRUS来说,用户既可以按照它已经支持数据交互的协议,已经完成的业务逻辑,通过自己系统的需要,配置需要的参数、参数传递频率、及参数偏移,并根据MixIOT的要求对数据进行分类;也可以根据具体设备的情况,用Apurs提供的编程示范程序,提供的API,实现自己想要实现的业务逻辑,完成数据交互的协议,达到自己想要达到的目的。

    1.3. APRUS的适用范围

      Aprus具有RS232、RS485、CAN、RJ45接口,兼容所有的数据交互物理接口,另外Aprus增加了扩展接口,扩展接口包括模拟量输入口(包括4~20ma)、IIC接口、SPI接口、IO输入口和IO控制口,再加上Aprus的用户可编程特性,因此,Aprus可以对接绝大多数工业设备(工业控制系统)。

    APRUS Image - APRUS

      此外,Aprus按车规标准设计,经过严格的测试,包括很多破坏性试验,高低温、震动、跌落、静电、浪涌、高低压、盐雾,等等,可以适用宽泛的工况条件。

    参数AprusIIAprus III
    输入电压9~24V AC/DC9~24V AC/DC
    最大功耗3W3W
    平均功耗1W1W
    工作温度-20~+75℃-20~+85℃
    存储温度-40~+100℃-40~+100℃
    存储湿度30%~90%5%~95%
    产品尺寸1469749mm1319630mm

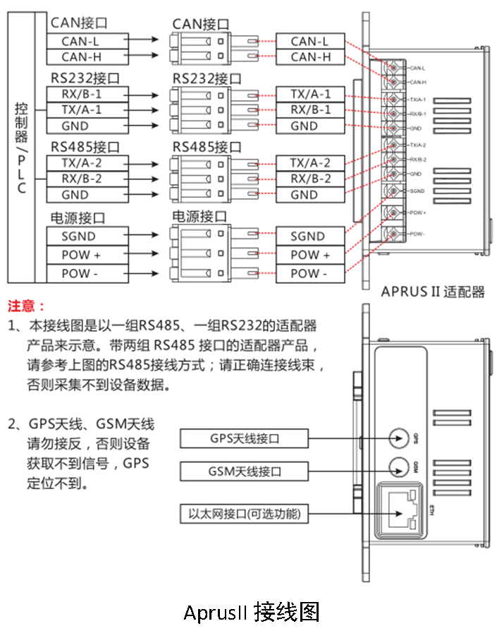
    1.4. APRUS的接口设置与主要功能

      Aprus与设备对接I/O,可以是RS232、RS485、RJ45、CAN。APRUS  不管是简单的还是复杂的工业设备,一般都会具备工业标准的RS485接口或RS232接口,现阶段生产的许多工业设备都具备RJ45接口(网口)。一个非常复杂的工业设备会同时具备上述三种接口,甚至一些设备还会具备CAN接口。  Aprus就是通过这些这些I/O总线与设备进行数据的交互,对设备进行读写操作,也就是读取设备的数据,或者向设备发送指令实现对设备参数的修改或者对设备的控制。Aprus在用户编程环境中提供了这样的接口API,用户编程可以直接调用。

    APRUS Image - APRUS

    APRUS Image - APRUS

    1.5. APRUS供电

      Aprus使用的是交直流9~24V AC/DC供电。一般来说,可以用工业控制系统相同的供电。对某些接入电源与适配器电源规格不符的,需要单独供电,供电的电源规格为电压9~24V AC/DV,电流1A,客户可自行购买,亦可由智物联提供。

    APRUS Image - APRUS

      Aprus外壳地与设备外壳地相连,主要有两方面的原因,一方面是防止外部其他设备对电源的干扰,另一方面是确保Apurs适配器遭遇静电高压时安全工作。

      Aprus自身内部增加了大电容,大电容的目的是在设备出现掉电的时候,通过供电电路的切换,将Aprus供电切换为大电容供电,同时适配器也通过I/O检测,得知Aprus供电切换为大电容,这个时候适配器将产生一个事件,上报云端,说明此时适配器供电进行了切换,外部供电出现了异常。Aprus内部由于使用的是大电容,所以可储存的电量并不多,在切换为大电容供电时,持续供电时间10s,足以将外部供电异常信息进行上报。

    APRUS Image - APRUS

    1.6. APRUS扩展外设

    APRUS Image - APRUS

    APRUS Image - APRUS

      很多情况下,物联网对数据的需要,有可能是超出设备自身可以获取的数据。

      举个例子:某压力容器设备自身的主要数据,是这个压力容器设备的温度和压力,但是,我们也需要设备所在的具体地理位置(经纬度),以及工作环境的温度、湿度及颗粒浓度,而这些数据设备本身是无法提供的。

      那么在选择Apurs的时候就需要选配带有GPS/北斗卫星定位的型号,这样就可以解决压力容器“所在地理位置”的问题;而压力容器设备工作环境温度、湿度及颗粒浓度这些数据,就需要通过Aprus的扩展外设接口,外接温湿度传感器及颗粒传感器来解决。

      传感器接入可以通过扩展外设的IIC、SPI、USART、ADC接口接入,选择符合外设接口的传感器。